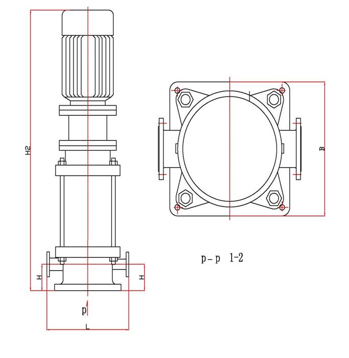
立式多级消防泵XBD-GDL

产品概况

   本产品依据《消防泵GB6245-2006》相关规定,以及CCCF消防强制认证规范设计制造。电机采用高效节能电机,叶轮轴、叶轮采用不锈钢材质,泵体、泵盖采用QT450球墨铸铁材质。

名称】立式多级消防泵

型号】XBD-GDL型

输送流量范围1-45L/S

扬程范围】2-180M

功率范围】1.5-132KW

适用范围

主要用于市政工程、楼宇建筑、医院、宾馆、饭店、工厂等行业的消防供水。

使用条件

介质温度不超过100度,介质中不含固体颗粒的清水。